原标题:圆球半径标注方法(机械图纸·每日一符:直径?和半径R)

直径?
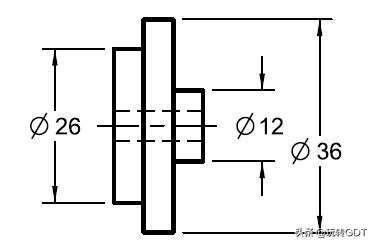
直径符号用于指示圆形或圆柱形要素,置于直径数值之前。

当需要在正交视图中规定多个同轴圆柱要素时,这种直径应标注在纵向视图上,如下图。

旧标注:在以往老标准中,直径的标识样式是在直径数值后面加英文”DIA”,如下图中所示。

球形直径S?:
用于指示球形形状的要素,直径符号前加大写字母S表示。

半径R
半径符号用于具有部分圆形或圆柱形的要素,置于半径数值之前。

当中心位置很重要且空间允许时,尺寸线可从半径中心画起,箭头在圆弧上,尺寸布置于箭头和中心之间;
当空间有限时,尺寸线可沿半径中心延伸;
当不方便将箭头布置在半径中心与圆弧之间时,可用指引线将其布置在圆弧外;
当半径中心未用尺寸确定位置时,不用将其表示出来。
旧标注:在以往老标准中,半径的标识样式是在数值后面加R,如下图中所示。

公差带:
公差带是两条圆弧线之间的区域,圆弧的半径即最小半径和最大半径。实际要素要位于这个区域内。


受控半径CR:
该符号表示被控半径必须位于最小于最大半径圆弧之间的公差带内,且应是平滑的曲面。


球形半径SR:
用于指示球形形状的要素,半径符号前加大写字母S表示。

理论半径TRUE R:
在正交视图中,当标注半径的要素未正确显示形状时,应在半径尺寸之前或之后添加”TRUE”。

免责声明:文中部分图片来源于网络,如有版权问题请联系作者删除!
好啦,以上就是今天的内容,关注”玩转GDT”,每天三分钟,带你了解更多行业知识!
结尾,以上就是圆球半径标注方法(机械图纸·每日一符:直径?和半径R)的文章整合
© 版权声明
文章版权归作者所有,未经允许请勿转载。
THE END
喜欢就支持一下吧













